CML2020D配電隔離器
產品特點:
配電式隔離器(通常稱配電器)的作用是為原工業現場提供一種兩線制傳輸方式,既要為變送器等一次儀表提供24V配電電源,同時又要對輸入的電流信號進行采集、放大、運算、和進行抗干擾處理后,再輸出隔離的電流和電壓信號,供后面的二次儀表或其它儀表使用。
產品應用:將變送器4~20mA信號隔離傳送。可選擇4~20mA或1~5V信號輸出,或其它所需的直流信號,模塊化表芯設計,無需零點和滿度調節。帶有工作電源指示燈。
.jpg)
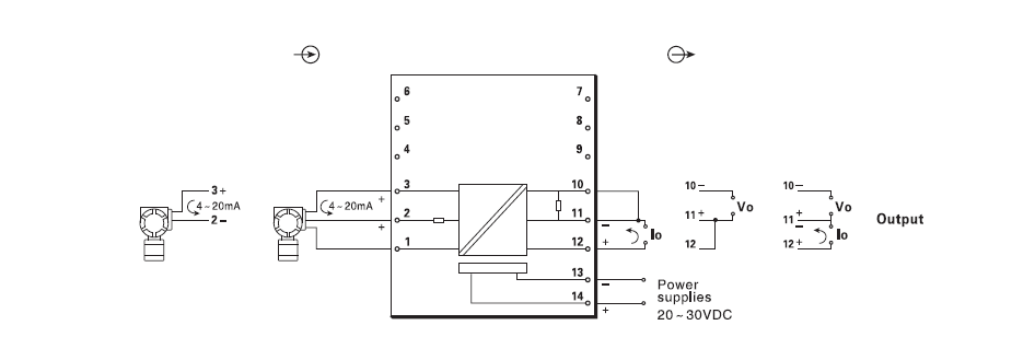
CML2020D 電流信號輸入配電隔離器(一入一出)
CML2020D 配電隔離器是向現場的變送器提供隔離的電源電壓,并將變送器產生的 4~20mA信號經本隔離器轉換成所需的直流信號至控制系統或其它智能儀表。LDG8041電流信號輸入配電隔離器需要獨立供電,供電電源-輸入回路-輸出回路之間電磁隔離。 一、CML2020D 配電隔離器特性: 1、給變送器提供驅動電壓16.5~28V; 2、將變送器4~20mA信號隔離傳送,其它所需的直流信號; 3、模塊化表芯設計,無需零點和滿度調節; 4、單通道,一路輸入一路輸出,輸入回路短路保護; 5、帶有工作電源指示燈;






